Sada samozavíracích pantů pro skleněné dveře SH56

Kód: SCZ00201

Varianty produktu

s DPH: 17 170,- Kč

bez DPH: 14 190,- Kč


Sada samozavíracích pantů SH56 je určena pro interiérové bezrámové celoskleněné dveře a skleněné dveře sprchových koutů. Poskytuje pohodlné, tiché a plynulé dovření skleněných dveří. Díky aretaci a automatickému dovírání zajišťuje pohodlí při běžném každodenním používání.

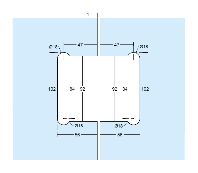
Sada obsahuje jeden pružinový a jeden hydraulický pant. (Pružinový pant slouží k zavírání, hydraulický pant zajišťuje tiché dovírání s nastavitelnou rychlostí). Hydraulický pant se vždy montuje jako spodní.

Regulovatelné sprchové panty, sklo-sklo 180°
Určené pro levé i pravé dveře
Pro sklo 8-14 mm
Max. šířka dveřního křídla 1000 mm
Max. výška dveřního křídla 2400 mm
Max. váha dveřního křídla 60 kg/pár
Oboustranné otevírání (aretace v -90°, 0°, 90°), max. úhel otevření 95°
Možnost individuálně nastavit rychlost zavírání
Materiál: nerez

Uvedená cena je za pár (sadu).

Sadu samozavíracích pantů SH56 doporučujeme pro středně zatěžované prostory jako jsou domácnosti či kancelářské a reprezentativní místnosti.

Fotogalerie


Široké výrobní možnosti
Zakázkové úpravy na míru
Poradíme s výběrem
Po - Pá od 7:30 - 16:00
Telefon: 774 276 537
E-mail: kovani@mija-t.cz
Naše katalogy
Naše produktové
katalogy najdete zde
Tradice a zkušenosti již 30 let
Jsme s Vámi od roku 1991
Prověřeno našimi montážníky
Veškerý sortiment kování používáme
na našich zakázkách
Získejte velkoobchodní benefity
Zaregistrujte se zde a získejte
velkoobchodní ceny a další výhody

Související produkty