Těsnění GTA
Skladem
bez DPH: 55,- Kč
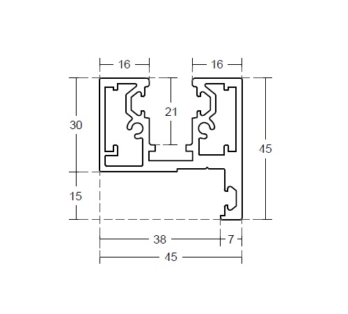
Hliníková zárubeň GT12 typu "H" je určená pro montáž do skleněné stěny i stavebního otvoru. Poskytuje ideální řešení pro skleněné dělící příčky s dveřmi do kanceláří či domácností. V závislosti na rozměrech dělící stěny se zárubeň kombinuje se zasklívacím profilem MT25S nebo svěrným profilem MT-S.
Díky možnosti lakování do barev z palety RAL umožňuje začlenění do jakéhokoli interiérového stylu. Další standardně dostupné povrchové úpravy jsou – stříbrný elox, imitace kartáčované nerezi a černý elox.
Profil hliníkové zárubně GT12 je určený pro skleněné dveřní křídlo o tloušťce 8-12 mm, fixní sklo tloušťky 10-12 mm.
Délka profilu: 5800 mm
Uvedená cena je za profil v délce 5800 mm, bez těsnění a úhelníků.
Zárubeň Vám rádi zhotovíme na míru: předpříprava (řezání, frézování, kompletace), lakování (dle vzorníku RAL), kování.
V případě zájmu zašlete poptávku na kovani@mija-t.cz.
Montážní videonávod pro montáž zárubně do skleněné stěny ke zhlédnutí zde.
MIJA-Therm, s.r.o.
U Splavu 46, 788 13 Rapotín
okres Šumperk